VR3.VOLANTINO A RAZZE CON BOCCOLA FILETTATA PASSANTE
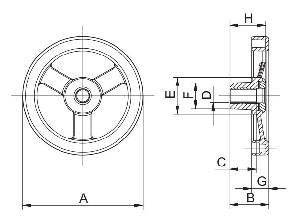
| CODE | ITEM | A | B | C | D | E | F | G | H | PCS BOX |
|---|---|---|---|---|---|---|---|---|---|---|
| EMVR316006 | VR3/160/BFP - M12 | 160 | 50 | 35 | M12 | 50 | 34 | 22 | 49 | 10 |
| EMVR316007 | VR3/160/BFP - M14 | 160 | 50 | 35 | M14 | 50 | 34 | 22 | 49 | 10 |
| EMVR316008 | VR3/160/BFP - M16 | 160 | 50 | 35 | M16 | 50 | 34 | 22 | 49 | 10 |
| EMVR316009 | VR3/160/BFP - M18 | 160 | 50 | 35 | M18 | 50 | 34 | 22 | 49 | 10 |
| EMVR316002 | VR3/160/BFP - M20 | 160 | 50 | 35 | M20 | 50 | 34 | 22 | 49 | 10 |
MATERIALE
Termoplastico ad elevata resistenza meccanica. A richiesta materiali con tenuta termica o ad alto impatto.
BOCCOLA
Ottone Ot58. Possibilità di boccole in altri materiali. Per impieghi specifici possono essere forniti volantini con boccole a disegno.
COLORE
Nero. Vasta gamma di colori a richiesta per quantità adeguate.
CERTIFICAZIONI