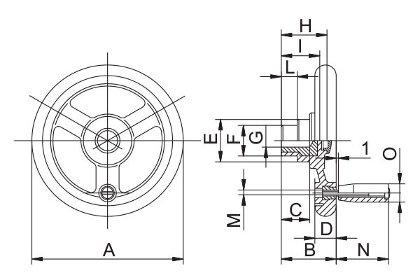
VR2.VOLANTINO A RAZZE CON FORO LISCIO CIECO E IMPUGNATURA GIREVOLE
| CODE | ITEM | A | B | C | D | E | F | G | H | I | L | M | N | O | PCS BOX |
|---|---|---|---|---|---|---|---|---|---|---|---|---|---|---|---|
| EMVR21500M | VR2/150/M/FC - D10 | 150 | 47 | 20 | 21 | 38 | 32 | 10 | 33 | 25 | 14 | M10 | 85 | 35 | 5 |
| EMVR22010M | VR2/200/M/FC - D10 | 200 | 57 | 30 | 26 | 45 | 40 | 10 | 47 | 38 | 14 | M10 | 85 | 35 | 5 |
MATERIALE
Termoplastico ad elevata resistenza meccanica. A richiesta materiali con tenuta termica o ad alto impatto.
MOZZO
Acciaio zincopassivato.
PERNO
Acciaio zincopassivato.
IMPUGNATURA
Materiale termoplastico.
COLORE
Nero. Vasta gamma di colori a richiesta per quantità adeguate.
CERTIFICAZIONI