VD1.VOLANTINO A DISCO CON FORO LISCIO CIECO E IMPUGNATURA GIREVOLE

VD1
VOLANTINO A DISCO CON FORO LISCIO CIECO E IMPUGNATURA GIREVOLE.
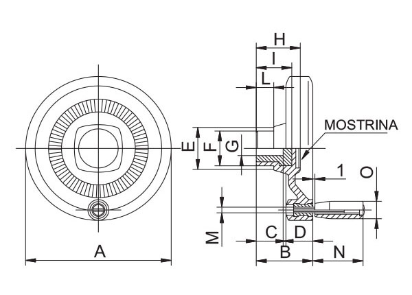
VOLANTINO A DISCO CON FORO LISCIO CIECO E IMPUGNATURA GIREVOLE MOD. VD1
CODEITEMABCDEFGHILMNOPCS BOX
EMVD1100MGVD1/100/M/BLC - D8 10038201630248302512M6512110
 
MATERIALE

Termoplastico ad elevata resistenza meccanica. A richiesta materiali con tenuta termica o ad alto impatto.

MOZZO

Acciaio zincopassivato.

PERNO

Acciaio zincopassivato.

IMPUGNATURA

Materiale termoindurente.

MOSTRINA

Colore allumino anodizzato.

COLORE

Nero. Altri colori per lotti adeguati.

CERTIFICAZIONI
rohs-compliant
reach-compliant
+120-20
pa