V8.VOLANTINO CON BOCCOLA FILETTATA CIECA

V8
VOLANTINO CON BOCCOLA FILETTATA CIECA
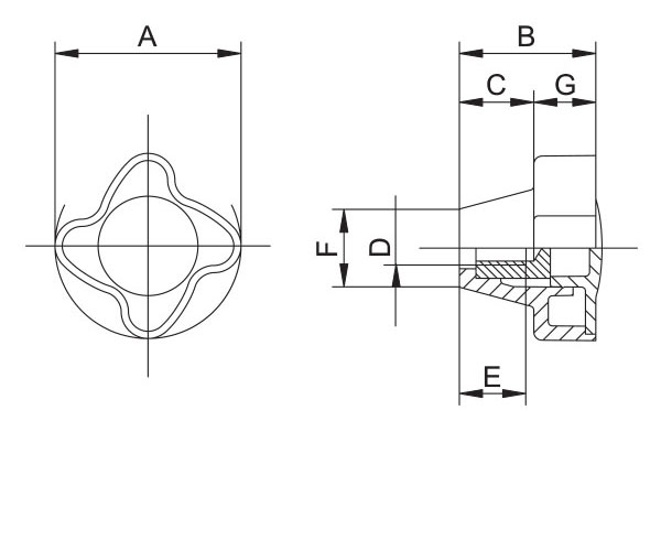
VOLANTINO CON BOCCOLA FILETTATA CIECA MOD. V8
CODEITEMABCDEFGPCS BOX
EMV8000600V8/45/BFC - M64534,518M691916,5100
EMV8000800V8/45/BFC - M84534,518M8121916,5100
 
MATERIALE

Termoplastico ad elevata resistenza meccanica. A richiesta materiali con tenuta termica o ad alto impatto.

BOCCOLA

Ottone Ot58.
Possibilità di boccole in altri materiali.
Per impieghi specifici possono essere forniti volantini con boccole a disegno.

COLORE

Nero. Vasta gamma di colori a richiesta per quantità adeguate.

NOTE

Possibilità di tappo colorato.

CERTIFICAZIONI
rohs-compliant
reach-compliant
+120-20
pa