V7.VOLANTINO CON BOCCOLA FILETTATA PASSANTE

V7
VOLANTINO CON BOCCOLA FILETTATA PASSANTE
VOLANTINO CON BOCCOLA FILETTATA PASSANTE MOD. V7
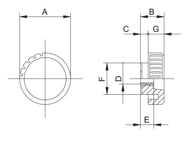
CODEITEMABCDEFGPCS BOX
EMV7400699V7/40/BFP - M6 40175M6102611100
EMV7400899V7/40/BFP - M840175M8112611100
 
MATERIALE

Termoplastico ad elevata resistenza meccanica. A richiesta materiali con tenuta termica o ad alto impatto.

BOCCOLA

Ottone Ot58.
Possibilità di boccole in altri materiali.
Per impieghi specifici possono essere forniti volantini con boccole a disegno.

COLORE

Nero. Vasta gamma di colori a richiesta per quantità adeguate.

CERTIFICAZIONI
rohs-compliant
reach-compliant
150GRADI
PAGF