V7.VOLANTINO CON BOCCOLA FILETTATA CIECA

V7
VOLANTINO CON BOCCOLA FILETTATA CIECA
VOLANTINO CON BOCCOLA FILETTATA CIECA MOD. V7
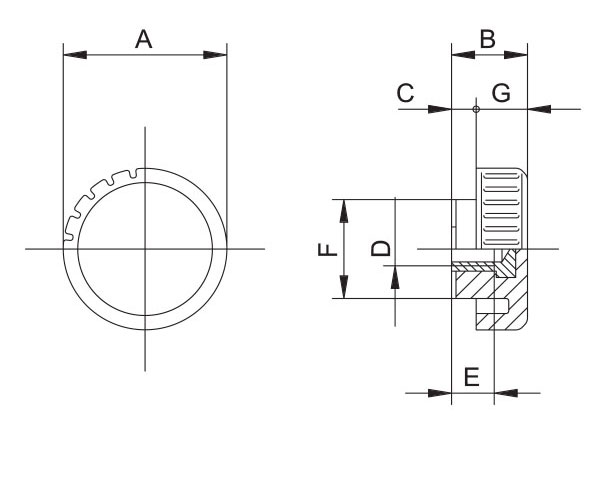
CODEITEMABCDEFGPCS BOX
EMV7400600V7/40/BFC - M640175M6102611100
EMV7400800V7/40/BFC - M840175M8112611100
 
MATERIALE

Termoplastico ad elevata resistenza meccanica.
A richiesta materiali con tenuta termica o ad alto impatto

BOCCOLA

Ottone Ot58.
Possibilità di boccole in altri materiali.
Per impieghi specifici possono essere forniti volantini con boccole a disegno

COLORE

Nero.
Vasta gamma di colori a richiesta per quantità adeguate

CERTIFICAZIONI
rohs-compliant
reach-compliant
150GRADI
PAGF