PM8.POMELLO CON FORO FILETTATO CIECO

PM8
POMELLO CON FORO FILETTATO CIECO
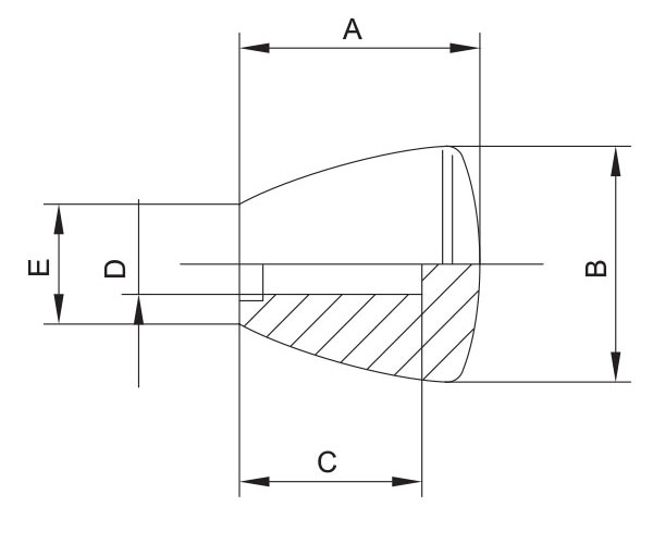
POMELLO CON FORO FILETTATO CIECO MOD. PM8
CODEITEMABCDEPCS BOX
EMPM8FFC08PM8/30/FFC - M8302823M813100
 
MATERIALE

Termoplastico ad elevata resistenza meccanica.
A richiesta materiali con tenuta termica o ad alto impatto.

COLORE

Nero. Vasta gamma di colori a richiesta per quantità adeguate.

CERTIFICAZIONI
rohs-compliant
reach-compliant
+120-20
pa