PC1.POMELLO CON FORO FILETTATO CIECO
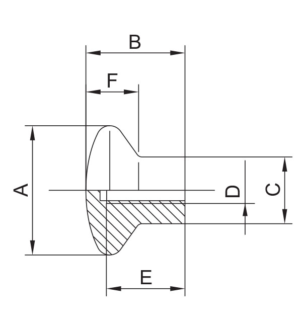
| CODE | ITEM | A | B | C | D | E | F | PCS BOX |
|---|---|---|---|---|---|---|---|---|
| EM40450800 | PC1/45/FFC - M8 | 45 | 34 | 23 | M8 | 20 | 18 | 50 |
| EM40451000 | PC1/45/FFC - M10 | 45 | 34 | 23 | M10 | 25 | 18 | 50 |
| EM40451200 | PC1/45/FFC - M12 | 45 | 34 | 23 | M12 | 25 | 18 | 50 |
MATERIALE
Termoindurente.
COLORE
Nero.
CERTIFICAZIONI