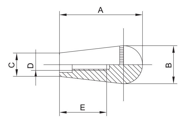
MZ2.IMPUGNATURA CON FORO FILETTATO CIECO
| CODE | ITEM | A | B | C | D | E | PCS BOX |
|---|---|---|---|---|---|---|---|
| EM50400600 | MZ2/40/FFC - M6 | 40 | 20 | 15 | M6 | 25 | 50 |
| EM50400800 | MZ2/40/FFC - M8 | M8 | 50 | ||||
| EM50401000 | MZ2/40/FFC - M10 | M10 | 50 | ||||
| EM50520800 | MZ2/52/FFC - M8 | 52 | 24 | 15 | M8 | 18 | 50 |
MATERIALE
Termoindurente.
COLORE
Nero.
CERTIFICAZIONI